Kenmerken
Conditie
Nieuw
Beschrijving
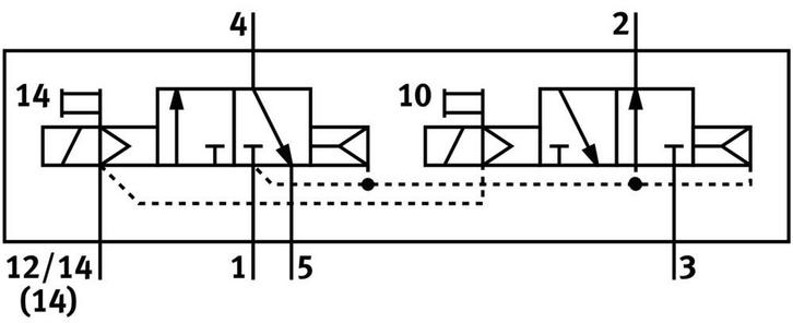
Het lucht magneetventiel dat voldoet aan ISO 15407-2 heeft een 2x3/2 open/gesloten monostabiele functie met elektrische activering. Het biedt een standaard nominale debiet van 900 l/min en sluit aan via een 26 mm aansluitplaat. Ontworpen voor de VTSA/VTSA-F ventielmanifold, dit robuuste metalen ventiel bevat een elektrische centrale voeding met gemeenschappelijke aarde. Ideaal voor industriële pneumatische systemen die nauwkeurige luchtstroomcontrole en integratie met gestandaardiseerde manifolds vereisen.
Tameson is de specialist in magneetventielen, pneumatiek en overige leidingtechniek. Kijk voor het volledige aanbod en advies voor uw toepassing op onze website. Wij zijn bereikbaar via support@tameson.nl.
...
...
...
...
...
...
...
...
...
...
...
...
Eindhoven
0x bekeken
0x bewaard
Sinds 21 apr '25
Advertentienummer: a1512968811
Populaire zoektermen
topcraft onderdelenrobland onderdelenscheppach onderdelenparkside onderdelenpers machineopkoper gereedschaphoutklover onderdelenferm onderdelenscheppach onderdelenkubota onderdelenwacker onderdelenrobland onderdelenscheppach hm 2 onderdelenaggregaat onderdelenassassins creed hidden blade in Overige Verzamelendonkerblauwe hoed in Hoeden en Pettenden helder in Vogels | Parkieten en Papegaaienmontagestandaard in Fietsaccessoires | Fietsgereedschapcyrus psx r in Versterkers en Receiverstrelock in Fietsaccessoires | Fietsverlichtinggreve schoenen 11 in Schoenenhout laser in Overige Hobby en Vrije tijdtuinbeeld arend in Tuinbeeldentrenchcoat maat 42 in Jassen | Zomer